Common Gate Amplifiers#

../_images/fig38.jpg

Fig. 45 Large-signal behavior.#

Where the slope is the highest is where you want to bias for max gain (given you have a large enough margin away from triode).

The conditions for saturation are as follows:

  • \(V_{\text{DS}} > V_{\text{GS}} - V_{\text{th}}\)

  • \(V_D > V_G - V_{\text{th}}\)

  • \(V_{\text{out}} > V_B - V_{\text{th}}\)

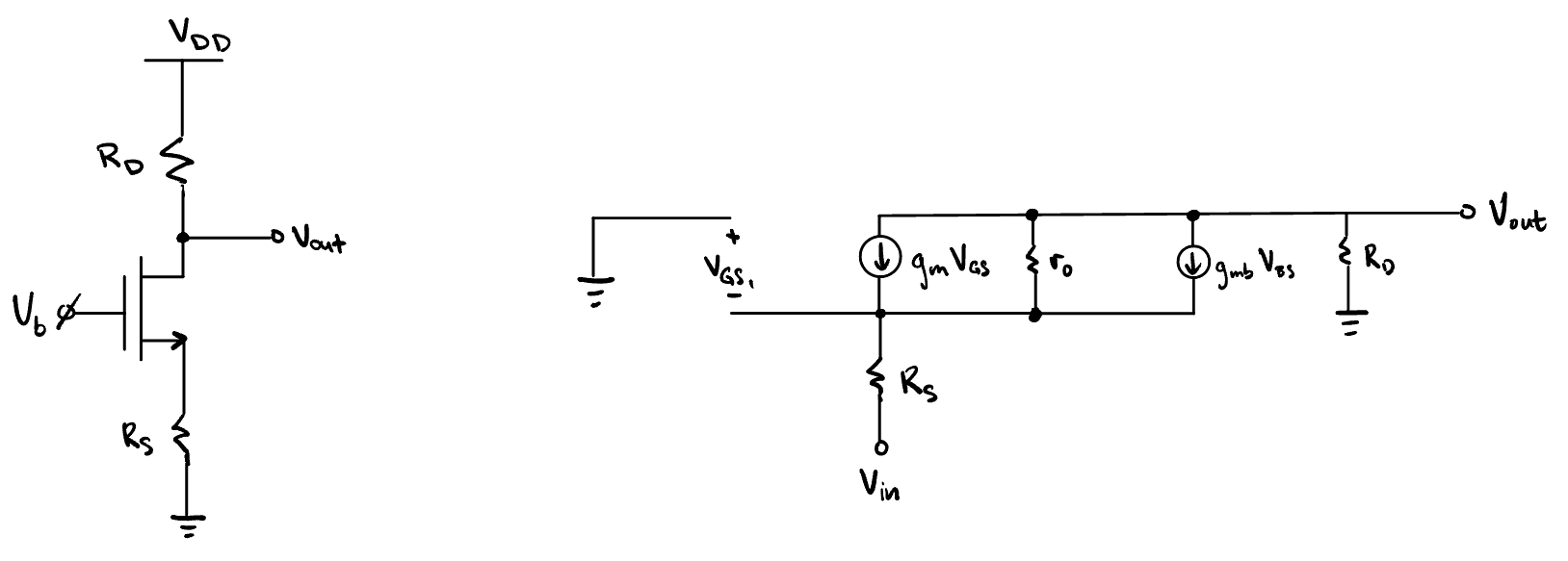
Small-signal gain#

../_images/fig39.jpg

Fig. 46 Small-signal gain.#

The gain is given by

\[\begin{split} A &= \frac{V_{\text{out}}}{V_{\text{in}}} \\ &= \frac{(g_m + g_{mb})r_o + 1}{r_o + (g_m + g_{mb}) r_o R_S + R_S + R_D} R_D \quad \text{ (and with } \lambda = 0 \text{)} \\ &= \frac{(g_m + g_{mb}) R_D}{1 + (g_m + g_{mb}) R_S} \quad \text{ (and with } R_S=0 \text{)}\\ &= (g_m + g_{mb}) R_D \end{split}\]

Input resistance#

../_images/fig40.jpg

Fig. 47 Input impedance test voltage and current.#

\[\begin{split} I_x &= -g_m V_{GS} + (V_x - I_x R_D) / r_o - g_{mb} V_{bs} \\ &= g_m V_x + (V_x - I_x R_D) / r_o + g_{mb} V_x \end{split}\]

Therefore,

\[ \frac{V_x}{I_x} = \frac{r_o + R_D}{1 + (g_m + g_{mb}) r_o} \approxeq \frac{1}{g_m + g_{mb}} + \frac{R_D}{(g_m + g_{mb}) r_o} \]

The approximation above can be made if we assume \(g_m + g_{mb} r_o \gg 1\).

This has low input resistance. The output resistance is the same as for the common source with degeneration:

\[ R_{\text{out}} = R_D || [ r_o + R_S + (g_m + g_{mb}) r_o R_S ] \]

Summary

This is the only topology you can design input impedance to be a specific value.

  • ✅ Good for impedance matching.

  • ✅ Good as a current buffer/amplifier (current input).